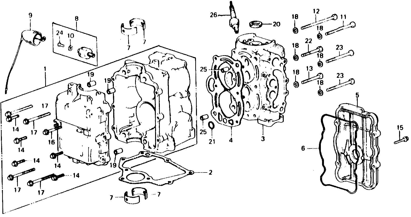
Mid - Large Outboard Engines (25 - 250hp) BF BF100 BF100C LA B100L-1400001-1500000 CYLINDER@CYLINDER HEAD - Nevada Power Products

Ref No
Part Number
Description
Serial Range
Qty
Price

Ref No
1
Part Number
11000-881-030KA
Description
CYLINDER ASSY. (NOT AVAILABLE)
Serial Range
1000001 - 9999999

Ref No
2
Part Number
11210-881-306
Description
GASKET, OIL PAN
Serial Range
1000001 - 9999999

Ref No
2
Part Number
11210-881-850
Description
GASKET, OIL PAN
Serial Range
1000001 - 9999999
Qty
Price
$15.74

Ref No
3
Part Number
12200-882-601KA
Description
CYLINDER HEAD (NOT AVAILABLE)
Serial Range
1000001 - 9999999

Ref No
4
Part Number
12251-881-306
Description
GASKET, CYLINDER HEAD
Serial Range
1000001 - 9999999

Ref No
4
Part Number
12251-881-850
Description
GASKET, CYLINDER HEAD
Serial Range
1000001 - 9999999

Ref No
5
Part Number
12301-881-000ZA
Description
COVER, CYLINDER HEAD *NH8* (DARK GRAY)
Serial Range
1000001 - 9999999

Ref No
6
Part Number
12391-881-000
Description
GASKET, HEAD COVER
Serial Range
1000001 - 9999999
Qty
Price
$8.60

Ref No
7
Part Number
13315-881-000
Description
BEARING, CRANKSHAFT
Serial Range
1000001 - 9999999

Ref No
8
Part Number
37200-935-004
Description
SWITCH, OIL PRESSURE
Serial Range
1000001 - 9999999
Qty
Price
$40.62

Ref No
9
Part Number
37201-881-000
Description
WIRE, OIL PRESSURE SWITCH
Serial Range
1000001 - 9999999
Qty
Price
$11.06

Ref No
10
Part Number
37202-935-004
Description
WASHER (4MM)
Serial Range
1000001 - 9999999
Qty
Price
$0.88

Ref No
11
Part Number
90017-935-000
Description
BOLT, HEAD (8X70)
Serial Range
1000001 - 9999999
Qty
Price
$2.60

Ref No
12
Part Number
90018-935-000
Description
BOLT, HEAD (8X94)
Serial Range
1000001 - 9999999
Qty
Price
$5.66

Ref No
13
Part Number
90019-881-000
Description
BOLT, HEX. (8X55)
Serial Range
1000001 - 9999999
Qty
Price
$3.16

Ref No
14
Part Number
90122-881-000
Description
BOLT, FLANGE (6X25) (NOT AVAILABLE)
Serial Range
1000001 - 9999999

Ref No
15
Part Number
90123-881-000
Description
BOLT, FLANGE (6X28) (NOT AVAILABLE)
Serial Range
1000001 - 9999999

Ref No
16
Part Number
90124-881-000
Description
BOLT, FLANGE (6X35)
Serial Range
1000001 - 9999999
Qty
Price
$2.54

Ref No
17
Part Number
90126-881-000
Description
BOLT, FLANGE (8X45)
Serial Range
1000001 - 9999999
Qty
Price
$2.48

Ref No
18
Part Number
90402-822-000
Description
WASHER, HEAD (8MM)
Serial Range
1000001 - 9999999
Qty
Price
$1.74

Ref No
19
Part Number
90701-360-000
Description
PIN, DOWEL (10X12)
Serial Range
1000001 - 9999999

Ref No
20
Part Number
91206-921-000
Description
OIL SEAL (16X28X6)
Serial Range
1000001 - 9999999
Qty
Price
$8.74

Ref No
21
Part Number
15142-PH3-003
Description
O-RING (10.8X2.4) (ARAI)
Serial Range
1000001 - 9999999
Qty
Price
$3.76

Ref No
22
Part Number
92200-08050-0A
Description
BOLT, HEX. (8X50) (NOT AVAILABLE)
Serial Range
1000001 - 9999999

Ref No
23
Part Number
92200-08065-0A
Description
BOLT, HEX. (8X65) (NOT AVAILABLE)
Serial Range
1000001 - 9999999

Ref No
24
Part Number
93500-04006-3J
Description
SCREW, PAN (4X6)
Serial Range
1000001 - 9999999
Qty
Price
$1.24

Ref No
25
Part Number
94301-10160
Description
PIN, DOWEL (10X16)
Serial Range
1000001 - 9999999
Qty
Price
$3.00

Ref No
26
Part Number
98066-54716
Description
SPARK PLUG (DR-4HS) (NGK)
Serial Range
1000001 - 9999999
Qty
Price
$2.62

Ref No
26
Part Number
98066-55716
Description
SPARK PLUG (DR-5HS) (NGK)
Serial Range
1000001 - 9999999
Qty
Price
$2.98

Ref No
26
Part Number
98066-55726
Description
SPARK PLUG (X16FSR-U) (DENSO)
Serial Range
1000001 - 9999999
Qty
Price
$3.06